Enamel matrix protein formulation for tooth repair

Remineralisation effect of bioenamel proteins

Tooth decay (dental caries) is the breakdown of teeth due to acids made by bacteria and can progress to infections and tooth loss. Dental caries also considerably impacts the quality of life and overall health of sufferers, affecting diet and confidence, and can cause further health complications such as abscesses and infections when left untreated. Tooth decay is an entirely preventable disease, but it is also the most common disease worldwide, affecting almost 2.8 billion people.

Bionamel is a proposed spin-out from the University of Edinburgh which aims to provide non-invasive, protein-based solutions for the prevention and early treatment of tooth decay. 

Challenge

The challenge of this project was to use biotechnology to produce a protein mixture that has the potential to repair the damage caused by tooth decay.

Solution

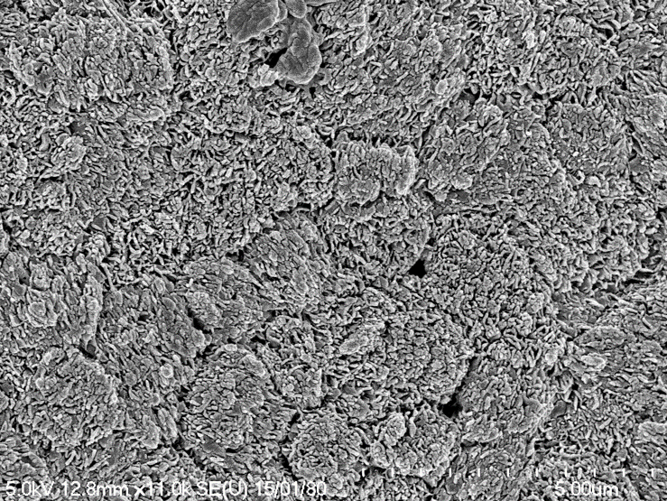
IBioIC awarded over £8.5k through our Spin Out Fund to Bioenamel to produce human proteins in yeast and test them on surfaces that mimicked damaged teeth.

Human enamel matrix proteins were produced using yeast, which were then purified at IBioIC’s FlexBio facility. Their expression was optimised and the proteins were produced at scale. They were then applied to acid-etched hydroxyapatite surfaces, which mimic damaged human teeth. Remineralisation was optimised and the process proved successful.

Outcome

Proof of concept was achieved, providing data that can be taken to the market in the search for investors and partners. The results showed a unique technology offering with very promising commercial opportunity and promising downstream partnering leads, but conditional on overcoming technical barriers and possibly securing a patent.

Find out more about IBioIC’s Spin Out support fund, or contact the team at Projects@ibioic.com.

Steven Scott

We are twofifths design agency. We design logos, create unforgettable brands, design & build beautiful websites, and bring stories to life through animated motion graphics films.

http://www.twofifthsdesign.com
Previous
Previous

Microbial production of hydroquinone from waste feedstocks

Next
Next

Engineering polyketide production